SparePartsFinder
KTM

  • Usage list
  • Selected Items 1
[Reset]
  • Search


690 ENDURO R 2026 <2026><US><F9775Z8>
 Show Image Switch To Engine

@Nr@Name  
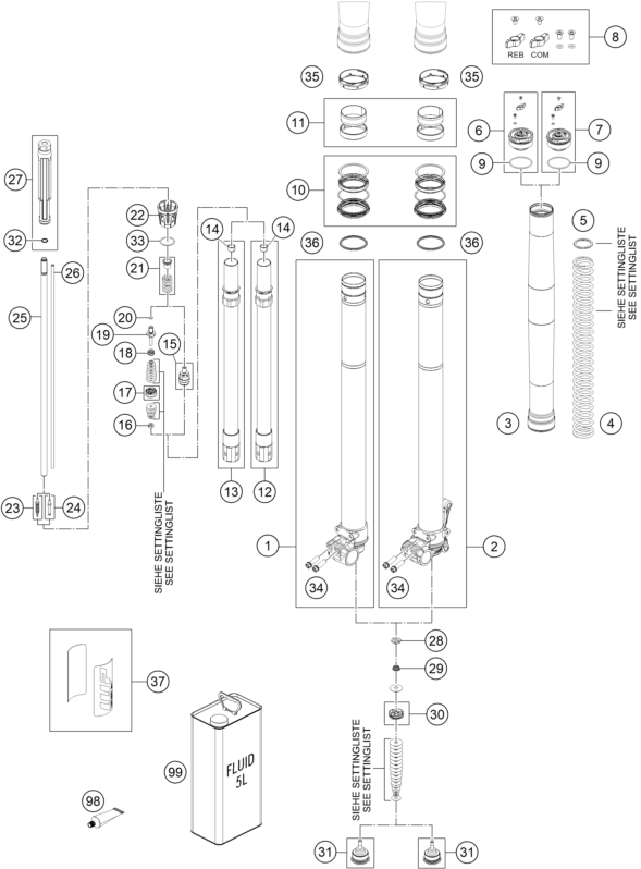
01FRONT FORK, TRIPLE CLAMP
01FRONT FORK DISASSEMBLED
02HANDLEBAR, CONTROLS
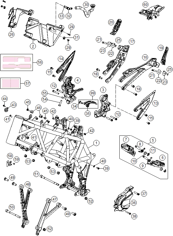
03FRAME
03ENGINE GUARD
03SIDE / CENTER STAND
04SHOCK ABSORBER
04SHOCK ABSORBER DISASSEMBLED
04PRO LEVER LINKING
04SWING ARM
05EXHAUST SYSTEM
06AIR FILTER
07TANK, SEAT
07FUEL PUMP
08MASK, FENDERS
08COVER
09FRONT WHEEL
10REAR WHEEL
11WIRING HARNESS
11BATTERY
13FRONT BRAKE CONTROL
13REAR BRAKE CONTROL
13FRONT BRAKE CALIPER
13REAR BRAKE CALIPER
14LIGHTING SYSTEM
14INSTRUMENTS / LOCK SYSTEM
15EVAPORATIVE CANISTER
20ACCESSORY PACK
42ABS
80TECHNIC INFORMATION STICKER
690 ENDURO R                        2026


Imprint
Privacy policy

Build: 1.0.0.0    Date: 3/31/2026 11:37:08 AM